Die Multiplast-Elektro-Schweissmuffe wird für das Schweißen von geraden Rohrleitungen vor allem von größeren Dimensionen eingesetzt. Weiters wird sie auch bei schwer zugänglichen Trassen verwendet. Die Muffe verfügt über einen Strichcode mit Parametern, für Lesegeräte der meisten Schweißgeräte. Mit dieser Muffe ist es möglich beschädigte Rohrleitungen zu reparieren.
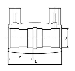
Name | Artikel Nr. | Verpackungseinheit | Gewicht/Stück in kg | A in mm | L in mm | D in mm |
|---|---|---|---|---|---|---|
MULTIPLAST-Elektro-Schweissmuffe 20mm | E-MU 20 | 1 | 0,02 | 26,50 | 55 | 20 |
MULTIPLAST-Elektro-Schweissmuffe 25mm | E-MU 25 | 1 | 0,05 | 26,50 | 55 | 25 |
MULTIPLAST-Elektro-Schweissmuffe 32mm | E-MU 32 | 1 | 0,10 | 25,00 | 52 | 32 |
MULTIPLAST-Elektro-Schweissmuffe 40mm | E-MU 40 | 1 | 0,20 | 25,00 | 52 | 40 |
MULTIPLAST-Elektro-Schweissmuffe 50mm | E-MU 50 | 1 | 0,30 | 25,00 | 52 | 50 |
MULTIPLAST-Elektro-Schweissmuffe 63mm | E-MU 63 | 1 | 0,60 | 30,00 | 63 | 63 |
MULTIPLAST-Elektro-Schweissmuffe 75mm | E-MU 75 | 1 | 0,60 | 33,00 | 70 | 75 |
Schweisssystem Elektro Schweissmuffe - E-MU
Schweisssystem_Elektro_Schweissmuffe_-_E-MU.pdf
Schweisssystem Schweisszeiten
Schweisssystem_Schweisszeiten.pdf